Search by Categories :
I offer Electronics Product Development
Details
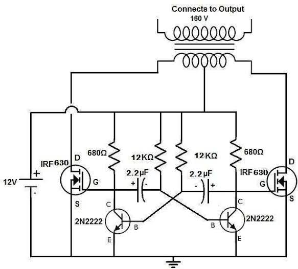
Hi! I am an Electronics Product Developer and currently working as System Design Engineer. I have experience in Developing Products from the idea for the product to its PCB creation. I follow the whole process to develop the product. I have 5-year experience of schematics and multilayer PCB designing. I do Microcontroller interfacing using Arduino IDE or Register level programming for any microcontroller. I do C++ programming for your application. Thank You
 Compare Packages
                        Details | 
                                            
                            Basic£400.00 | 
                                                                
                            Standard£700.00 | 
                                                                
                            Premium£1,086.55 | 
                                                            
                
|---|---|---|---|
| 
                         
                            Revisions
                         
                     | 
                    3  | 
                    3  | 
                    3  | 
                
| 
                         
                            Delivery time
                         
                     | 
                    2 Days  | 
                    Less than a week  | 
                    Less than a month  | 
                
| SYSTEM DESIGN | 
                             | 
                        
                             | 
                        
                             | 
                    
| SIMULATION | 
                             | 
                        
                             | 
                        
                             | 
                    
| COMPONENT SELECTION | 
                             | 
                        
                             | 
                        
                             | 
                    
| DRIVER CODING | 
                             | 
                        
                             | 
                        
                             | 
                    
| DETAILED DOCUMENTATION | 
                             | 
                        
                             | 
                        
                             | 
                    
| SOURCE CODE | 
                             | 
                        
                             | 
                        
                             | 
                    
| CIRCUIT DIAGRAM | 
                             | 
                        
                             | 
                        
                             | 
                    
| BONUS USDT | 
                             
                                 
                                10
                                                             
                         | 
                        
                             
                                 
                                20
                                                             
                         | 
                        
                             
                                
                                 
                                50
                                                             
                         |